電気錠制御盤 CB-8A
電気錠制御盤 CB-8A
PC不要、制御盤のみで履歴管理が可能◎タッチパネルで設定の操作もカンタン!
電気錠制御盤 CB-8A 製品概要
- パソコン不要、制御盤のみで履歴管理が可能(履歴は画面で確認できます)
- 設定カンタン!直感的に操作できるタッチパネル式
- タイマー機能、インターロック、アンチパスバックを標準搭載
- 3D軸加速度センサーによる感震器内蔵
- 国内メーカーのあらゆる電気錠に対応
従来の電気錠制御盤にてご要望いただくことが多かった機能、カスタマイズで対応していた機能などを積極的に標準搭載。グレードアップし、装い新たにリリースです。
製品操作シーン動画
| 製品仕様 | |
| 製品名 | 電気錠制御盤 CB-8A |
|---|---|
| 入力電源 | AC100V ±10% 50/60Hz |
| 消費電力 | 210VA |
| 使用温湿度 | 温度:0~50℃ 湿度:10~90%RH(結露なきこと) |
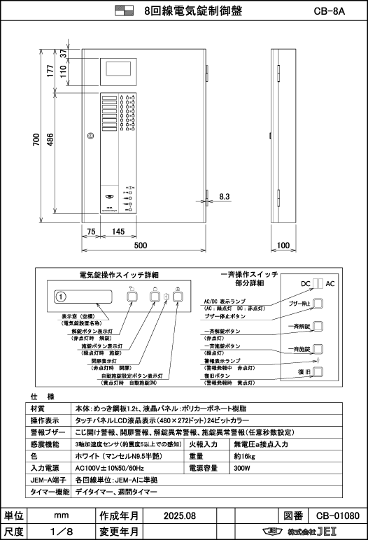
| 大きさ | 500mm×700mm×100mm |
| 材質 | 本体:めっき銅板 1.2t 液晶パネル:ポリカボネート樹脂 |
| 通信方式 | RS-485、Ethernet 100BASE-T(オプション) |
| 重量 | 約16kg |
| 色 | ホワイト色(マンセルN9.5 半艶) |
| 設置場所 | 屋内専用 |
| 火報入力 | 無電圧a接点入力 |
| 感震機能 | 3軸加速度センサ(約震度5以上で感知) |
| インターフェイス | microSD、USB2.0(TypeA)、LAN(RJ45)(オプション) |
| カード登録枚数 | 標準盤:4,000枚/入退室管理システム:150,000枚 |
| ログ保存数 | 最新の100,000件 |
| 税抜価格 | 736,000円 |
電気錠制御盤 CB-8A 図面紹介

電気錠制御盤 CB-8A 関連製品
| 電気錠制御盤 CB-8A-BT | ||
|---|---|---|
|
|
税抜 価格 |
856,000円 |
| 図面 データ |
||
| 電気錠制御盤 CB-8A-AC | ||
|---|---|---|
|
|
税抜 価格 |
1,056,000円 |
| 図面 データ |
||
| 壁面取付穴寸法及び配置図 | ||
|---|---|---|
|
税抜 価格 |
本体価格に含む |
| 図面 データ |
||



